Внимание! В связи с курсом рубля цены могут отличаться от указанных на сайте. Уточняйте цены у менеджеров.
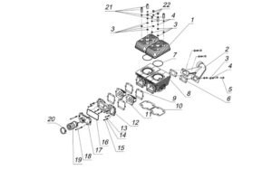
Главная страница › ЗАПЧАСТИ ДЛЯ СНЕГОХОДОВ › МОДЕЛЬНЫЙ РЯД ТАЙГА › ТАЙГА Классика*ВАРЯГ*VECTOR* PATRUL 500/550/551 › Цилиндровая группа РМЗ-500, 550, 551 и элементы систем впуска и выпуска

Отображение 1–12 из 42











